Catalogo filtri Donaldson
REGISTRATI SUL NOSTRO E-COMMERCE PER VISUALIZZARE PREZZI E DISPONIBILITÀ >>
RICHIESTA INFO FILTRO P537454
 OEM Part Number  114880003
 Filter Manufacturer  FARR
Codice Donaldson  P537454
 Immagine P537454
 Descrizione  AIR CLEANER, DISPOSABLE
 Primary Application  FARR ECO SE W/SIDE INLET
 Alternative parts
 Bar Code   74233008091
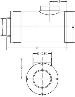
Dimensioni
A - Body Diameter: MM 246
E - Iinlet Diameter: MM 152
C - Length: MM 493
B - OD: MM 127
D - Inlet Location: MM 102
F - Inlet Length: MM 164
Rated Flow HR: CMM 27.19
Restriction HR: MM H2O 203
Weight: Kgs 5.26
Cube: Cubic Meters 0.05
P537454
 Cross Reference BALDWIN: PA3493 - BIG A: 94748 - CARQUEST: 88748 - CRANE CARRIER: 102B0064 - FARR: 114880003, 114880003A, 114880003C, 114880003D, 114880003G - FLEETGUARD: AH1197 - FLEETRITE: AHR81197 - FRAM: CA8130 - HASTINGS: AF1197 - KRALINATOR: LA1889 - LUBER-FINER: LAF1934 - NAPA: 6748 - OTTAWA TRUCK: 90020293 - PUROLATOR: A76021 - VMC: AH537454 - WIX: 46748, 546748  
 Quantità *
 Info su: Price
 SI PREGA DI INDICARE LE SEGUENTI INFORMAZIONI:
 Attività
 Azienda
 Referente *
 P.IVA
 Città *
 Indirizzo
 Nazione *
 Telefono *
 Fax
 E-mail *


  ‹‹ PREVIOUS   NEXT ››